MSX Document Management System
Signed in as 'Guest User'
Language
German
English (GB)
Spanish
French
Italian
Dutch
Sign out
Calendar
Document
Documents
/
MSX
/
Datasheets
/
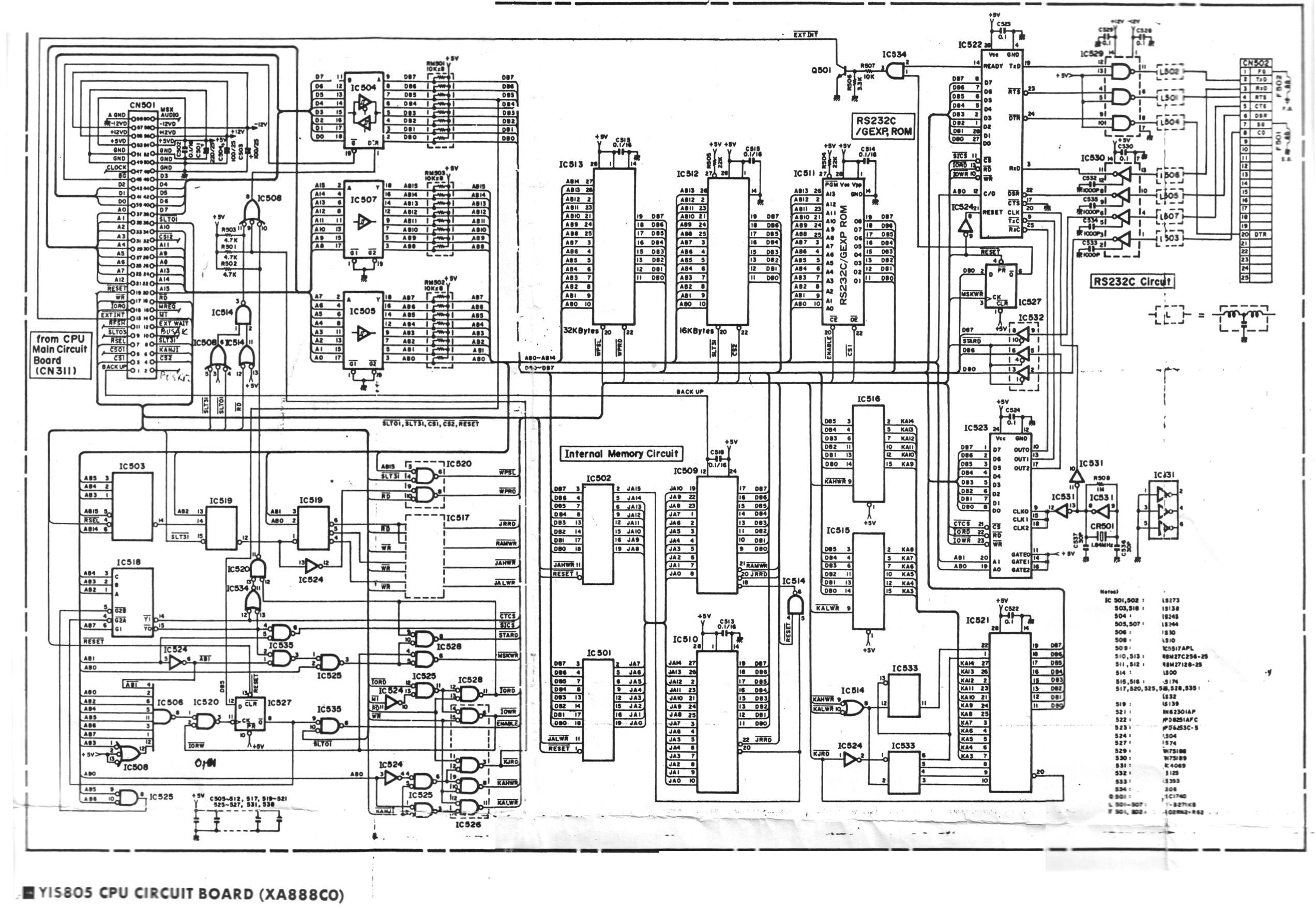
Yamaha YIS-805 CPU Circuit Board Schematic
Document Information
Name:
Yamaha YIS-805 CPU Circuit Board Schematic
Owner:
Eric Boez
Used disk space:
594.44 KiB
Created:
2019-04-06 09:47:03
Current version
Attachments
Related Documents
File
Comment
Status
YIS805-1.JPG
Version: 1
594.44 KiB, image/jpeg
Uploaded by
Eric Boez
2019-04-06 09:47:03
Released
Download
View online
No attached files
No linked files
Powered by SeedDMS free document management system