MSX Document Management System
Signed in as 'Guest User'
Language
German
English (GB)
Spanish
French
Italian
Dutch
Sign out
Calendar
Document
Documents
/
MSX
/
Do It Yourself
/
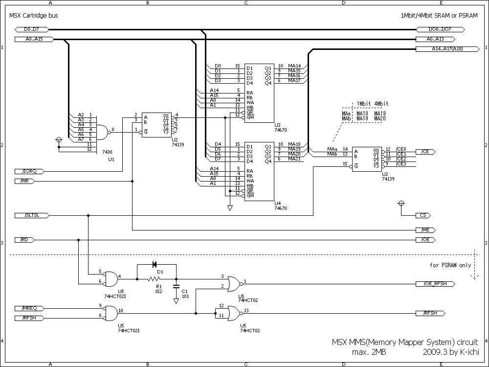
MSX_MMS_SRAM.GIF
Document Information
Name:
MSX_MMS_SRAM.GIF
Owner:
Jipe
Used disk space:
16.99 KiB
Created:
2019-04-12 11:37:58
Current version
Attachments
Related Documents
File
Comment
Status
MSX_MMS_SRAM.GIF
Version: 1
16.99 KiB, image/gif
Uploaded by
Jipe
2019-04-12 11:37:58
Released
Download
View online
No attached files
No linked files
Powered by SeedDMS free document management system